Logo Adler SAS, la technique au service du verre
Zeichnung

 

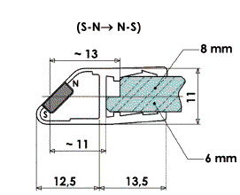
ARTIKEL : 80530J

Zusätzlicher Bausatz zur elektromagnetischen Verriegelung eloxiert naturfarben SECURITRACK

 
Zusätzlicher Bausatz zur elektromagnetischen Verriegelung eloxiert naturfarben SECURITRACK