Logo Adler SAS, la technique au service du verre
Schéma

 

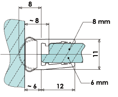
ARTICLE : 79041Q

Poignée adlock simple dia.25 H

 
Poignée adlock simple dia.25 H