Logo Adler SAS, la technique au service du verre
Sketch

 

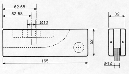
ITEM : 73102K

shaft - rectangular shaft for JANUS

 
shaft - rectangular shaft for JANUS