Logo Adler SAS, la technique au service du verre
Schéma

 

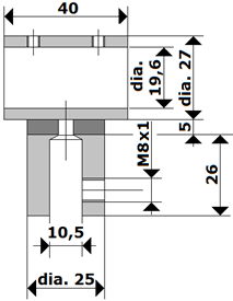
ARTICLE : 69870W

charnière à indexage venus gl/gl.135 ép.8 x2 laiton chromé brillant

 
charnière à indexage venus gl/gl.135 ép.8 x2 laiton chromé brillant