Logo Adler SAS, la technique au service du verre
Schéma

 

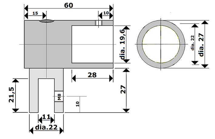
ARTICLE : 69869V

charnière à indexage venus mur/gl ép.6 x2 laiton chromé mat

 
charnière à indexage venus mur/gl ép.6 x2 laiton chromé mat