Logo Adler SAS
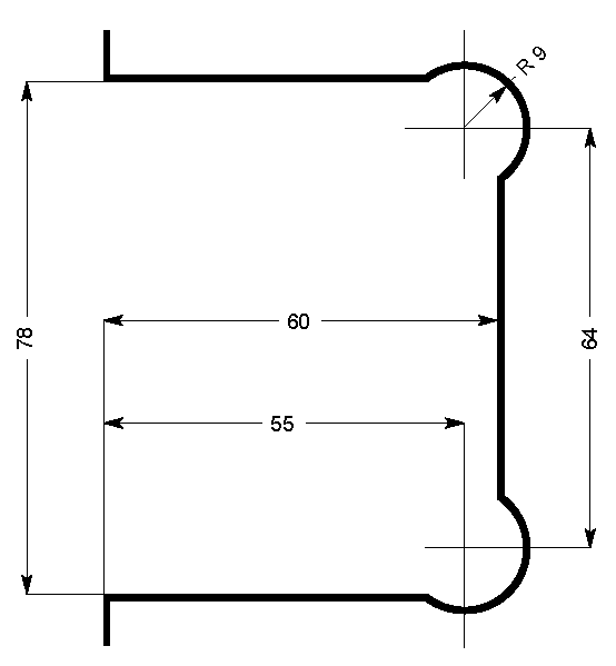
Notches drawings

ITEM : 73139Z

Mittelschloss, einbruchsicher, verschiedene Schlüsser, mit Zylinderschutz, Produktreihe ELITE, naturfarben

ATTENTION : hereunder drawing is not at a right scale.

In order to print it at the right scale with Adobe® Reader®, please click HERE

Adobe acrobat reader

 

Mittelschloss, einbruchsicher, verschiedene Schlüsser, mit Zylinderschutz, Produktreihe ELITE, naturfarben