Logo Adler SAS
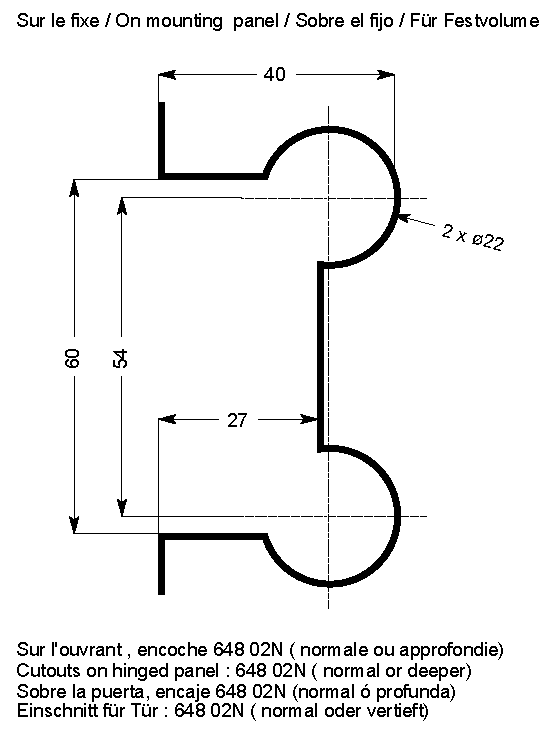
Dessins d'encoches

ARTICLE : 64836Z

pince à contreplaque venus gl/gl.90 90 laiton blanc

ATTENTION : Le dessin ci-dessous n'est pas à l'échelle.

Pour l'imprimer, avec Adobe® Reader®, cliquez ICI

Adobe acrobat reader

 

pince à contreplaque venus gl/gl.90 90  laiton blanc