Logo Adler SAS
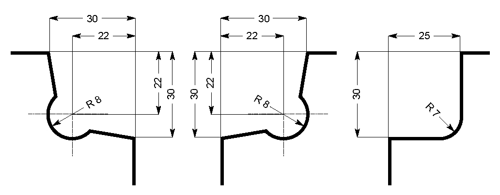
Notches drawings

ITEM : 63459C

electromagnetic lock 15V no contact

ATTENTION : hereunder drawing is not at a right scale.

In order to print it at the right scale with Adobe® Reader®, please click HERE

Adobe acrobat reader

 

electromagnetic lock 15V no contact